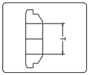
Others Tube Fittings

Tube OD (T) Available sizes | ||||||||||||||||
Inch | 1/16 | 1/8 | 1/4 | 5/16 | 3/8 | 1/2 | 5/8 | 3/4 | 7/8 | 1 | 1 1/4 | 1 1/2 | 2 | - | - | - |
Metric | 4 | 6 | 8 | 10 | 12 | 14 | 15 | 16 | 18 | 20 | 22 | 25 | 28 | 30 | 32 | 38 |
Tube OD (T) Available sizes | ||||||||||||||||
Inch | 1/16 | 1/8 | 1/4 | 5/16 | 3/8 | 1/2 | 5/8 | 3/4 | 7/8 | 1 | 1 1/4 | 1 1/2 | 2 | - | - | - |
Metric | 3 | 6 | 8 | 10 | 12 | 14 | 15 | 16 | 18 | 20 | 22 | 25 | 28 | 30 | 32 | 38 |
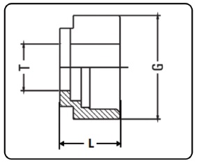
Couling Nuts Dimensions mm | |||||||||||||||||
Inch | T | 1/16 | 1/8 | 1/4 | 5/16 | 3/8 | 1/2 | 5/8 | 3/4 | 7/8 | 1 | 1 1/4 | 1 1/2 | 2 | - | - | - |
L | 8 | 12 | 12.7 | 14 | 14.5 | 17.5 | 17.5 | 17.5 | 17.5 | 20.6 | 31.8 | 38 | 52.5 | - | - | - | |
G A/F | 8 | 11 | 14 | 16 | 17 | 22 | 25 | 28.5 | 32 | 38 | 50 | 57 | 76 | - | - | - | |
Metric | T | 3 | 6 | 8 | 10 | 12 | 14 | 15 | 16 | 18 | 20 | 22 | 25 | 28 | 30 | 32 | 38 |
L | 12 | 12.7 | 13.5 | 15.1 | 17.5 | 17.5 | 17.5 | 17.5 | 17.5 | 17.5 | 17.5 | 20.6 | 30.6 | 33 | 32 | 38.1 | |
G A/F | 11 | 14 | 16 | 22 | 22 | 25 | 25 | 25 | 30 | 32 | 32 | 38 | 46 | 50 | 50 | 57 |
Fitting End Closure Dimensions mm | |||||||||||||||||
Inch | T | 1/16 | 1/8 | 1/4 | 5/16 | 3/8 | 1/2 | 5/8 | 3/4 | 7/8 | 1 | 1 1/4 | 1 1/2 | 2 | - | - | - |
G A/F | 8 | 11 | 14 | 16 | 17 | 22 | 25 | 28.5 | 32 | 38 | 50 | 57 | 76 | - | - | - | |
Metric | T | 3 | 6 | 8 | 10 | 12 | 14 | 15 | 16 | 18 | 20 | 22 | 25 | 28 | 30 | 32 | 38 |
G A/F | 11 | 14 | 16 | 19 | 22 | 25 | 25 | 25 | 30 | 32 | 32 | 38 | 46 | 50 | 50 | 57 |
Tube OD in. | Dimensions mm | ||||
A | B | C | D | G | |
1/16 | 16.80 | 7.90 | 7.90 | 10.40 | 11.20 |
1/8 | 23.10 | 11.10 | 11.10 | 14.20 | 13.50 |
3/16 | 22.60 | 12.70 | 11.10 | 15.00 | 14.70 |
1/4 | 24.10 | 14.30 | 12.70 | 16.30 | 16.00 |
3/8 | 26.90 | 17.50 | 15.90 | 18.30 | 18.30 |
1/2 | 32.50 | 22.20 | 20.60 | 24.60 | 20.60 |
5/8 | 33.80 | 25.40 | 23.80 | 25.40 | 22.60 |
3/7 | 34.50 | 28.60 | 27.00 | 25.40 | 23.40 |
7/8 | 35.80 | 31.80 | 30.20 | 26.90 | 24.60 |
1 | 45.00 | 38.10 | 34.90 | 33.30 | 30.50 |
1 1/4 | 53.30 | 47.60 | 36.30 | 38.90 | 31.20 |
1 1/2 | 64.50 | 57.20 | 54.00 | 45.20 | 37.30 |
2 | 86.60 | 76.20 | 69.90 | 62.70 | 49.30 |
Tube OD | Dimensions mm | ||||
A | B | C | D | G | |
3 | 22.80 | 11.10 | 11.10 | 14.30 | 14.80 |
4 | 23.60 | 12.70 | 11.10 | 15.10 | 15.80 |
6 | 25.30 | 14.30 | 12.70 | 16.30 | 16.90 |
8 | 25.10 | 159.00 | 14.30 | 16.70 | 17.10 |
10 | 26.20 | 19.10 | 17.50 | 17.50 | 18.30 |
12 | 32.60 | 22.20 | 20.60 | 24.60 | 20.60 |
14 | 31.60 | 23.80 | 22.20 | 22.20 | 22.20 |
15 | 31.90 | 23.80 | 22.20 | 22.20 | 21.50 |
16 | 35.00 | 25.40 | 23.80 | 25.00 | 23.90 |
18 | 33.40 | 28.60 | 27.00 | 25.40 | 23.40 |
20 | 40.00 | 31.80 | 30.20 | 31.00 | 25.20 |
22 | 35.80 | 31.80 | 30.20 | 27.00 | 24.60 |
25 | 45.90 | 38.10 | 349.00 | 33.30 | 31.50 |
30 | 53.40 | 50.80 | 46.00 | 39.60 | 31.80 |
32 | 55.80 | 50.80 | 46.00 | 42.00 | 32.80 |
36 | 65.40 | 60.30 | 55.00 | 49.40 | 37.80 |
Tube Plug Dimensions mm | |||||||||||||||||
Inch | A | 1/16 | 1/8 | 3/16 | 1/4 | 3/8 | 1/2 | 5/8 | 3/4 | 7/8 | 1 | 1 1/4 | 1 1/2 | 2 | - | - | - |
B | 7.9 | 11.1 | 12.7 | 14.3 | 17.5 | 22.2 | 25.4 | 28.6 | 31.8 | 38.1 | 47.6 | 57.2 | 76.2 | - | - | - | |
Metric | A | 3 | 4 | 6 | 8 | 10 | 12 | 14 | 15 | 16 | 18 | 20 | 22 | 25 | 30 | 32 | 38 |
B | 11.1 | 12.7 | 14.6 | 15.9 | 19.1 | 22.2 | 23.8 | 23.8 | 25.4 | 28.6 | 31.8 | 31.8 | 38.1 | 50.8 | 50.8 | 60.3 |
Tube OD in. | Dimensions mm | |||||
T | Tx | A | D | E | F | G |
1/16 |
1/8 1/4 |
29.2 31.5 |
8.60 | 1.30 | 7.9 | ??? |
1/8 |
1/16 1/8 3/16 1/4 3/8 1/2 |
29 33.5 34.3 36.1 37.6 44.2 |
12.70 |
0.8 2 2.3 2.3 2.3 2.3 |
11.1 11.1 11.1 11.1 14.3 |
??? |
3/16 |
1/8 1/4 |
34.8 37.1 |
13.70 |
2 3 |
11.1 | ??? |
1/4 |
1/8 3/16 1/4 5/16 3/8 1/2 5/8 3/4 |
36.8 37.6 39.1 39.9 40.6 46.2 48 47.8 |
15.20 |
2 3 4.3 4.8 4.8 4.8 4.8 4.8 |
12.7 12.7 12.7 12.7 14.3 17.5 20.6 |
??? |
5/16 |
3/8 1/2 |
41.9 47.5 |
16.30 | 6.40 | 14.3 | ??? |
3/8 |
1/4 3/8 1/2 5/8 3/4 |
41.4 43.2 48.5 50.3 50.3 |
16.80 |
4.3 6.9 7.1 7.1 7.1 |
15.9 15.9 15.9 17.5 20.6 |
??? |
1/2 |
1/4 3/8 1/2 5/8 3/4 1 |
45 46.7 52.3 53.8 53.8 60.2 |
22.90 |
4.3 6.9 9.4 10.4 10.4 10.4 |
20.6 20.6 20.6 20.6 20.6 27 |
??? |
5/8 |
3/4 7/8 1 |
54.6 56.1 61 |
24.40 | 12.70 |
23.8 23.8 27 |
??? |
3/4 |
1/2 1 |
54.6 62.5 |
24.40 |
9.4 15.7 |
27 | ??? |
1 |
1 1/4 1 1/2 2 |
80.5 89.2 112.5 |
31.20 | 22.40 |
34.9 41.3 54 |
47.6 57.2 76.2 |
1 1/4 |
1 1/2 2 |
104.1 125.2 |
41.10 | 27.70 |
44.5 54 |
57.2 76.2 |
1 1/2 | 2 | 131.30 | 50.00 | 34.00 | 54 | 76 |
Tube OD | Dimensions mm | ||||
T | Tx | A | D | E | F |
2 | 3 | 33.5 | 12.9 | 1.7 | 12 |
3 |
4 6 10 |
35 36.1 38.4 |
12.9 | 2.4 |
12 12 14 |
4 | 6 | 37.1 | 13.7 | 2.4 | 12 |
6 |
3 8 10 12 18 |
36.9 39.9 40.7 46.3 49.6 |
15.3 |
1.9 4.8 4.8 4.8 4.8 |
14 14 14 14 22 |
8 |
6 10 12 |
40.3 42.0 47.6 |
4.1 6.4 6.4 |
15 | |
10 |
6 8 12 15 18 |
42.4 43.4 49.8 51.3 51.3 |
17.2 |
4.1 5.6 7.9 7.9 7.9 |
18 18 18 18 22 |
12 |
6 8 10 16 18 20 22 25 |
44.9 45.9 46.7 53.8 53.8 56.1 56.1 62.4 |
22.8 |
4.1 5.6 7.1 9.5 9.5 9.5 9.5 9.5 |
22 22 22 22 22 22 24 27 |
14 | 12 | 53.0 | 24.4 | 8.8 | 24 |
15 | 12 | 53.0 | 24.4 | 8.8 | 24 |
16 | 12 | 53.0 | 24.4 | 8.8 | 24 |
18 |
12 16 20 22 25 |
54.6 56.1 57.6 57.6 62.4 |
24.4 |
8.8 12.0 15.1 15.1 15.1 |
27 |
22 |
18 20 25 |
57.9 59.4 64.2 |
13.9 15.5 18.3 |
30 | |
25 |
18 20 |
63.1 64.6 |
31.3 |
13.9 15.5 |
35 |
Tube OD | Dimensions mm | ||||
T | Tx in | A | D | E | F |
2 | 1/8 | 33.5 | 12.9 | 1.7 | 12 |
3 |
1/8 1/4 |
33.5 36.1 |
12.9 |
2 2.4 |
12 |
4 | 1/4 | 37.1 | 13.7 | 2.4 | 12 |
6 |
1/8 1/4 5/16 3/8 1/2 |
36.9 39.2 39.9 40.7 46.3 |
15.3 |
2.0 4.4 4.8 4.8 4.8 |
14 |
8 |
1/4 3/8 1/2 |
40.3 42.0 47.6 |
16.2 |
4.4 6.4 6.4 |
15 |
10 |
3/8 1/2 |
44.2 49.8 |
17.2 |
6.8 7.9 |
18 |
12 |
1/2 3/4 |
52.3 53.8 |
22.8 |
9.3 9.5 |
22 |
18 |
3/4 1 |
56.1 62.4 |
24.4 |
14.7 15.1 |
27 |
25 | 1 | 69.5 | 31.3 | 20.2 | 35 |
Tube OD | Dimensions mm | ||||
T, in. | Tx | A | D | E | F |
1/8 | 6 | 36.10 | 12.70 | 2.30 | 11.10 |
Tube OD in. | Dimensions mm | |||||
A | D | E | F | Panel Hole Size | Max Panel Thickness | |
1/8 | 49.50 | 12.70 | 2.00 | 12.70 | 8.30 | 12.70 |
1/4 | 55.90 | 15.20 | 4.30 | 15.90 | 11.50 | 10.20 |
3/8 | 61.20 | 16.80 | 6.90 | 19.10 | 14.70 | 11.20 |
1/2 | 72.90 | 22.90 | 9.40 | 23.80 | 19.40 | 12.70 |
5/8 | 75.20 | 24.40 | 11.90 | 27.00 | 22.60 | 12.70 |
3/4 | 81.50 | 24.40 | 14.70 | 30.20 | 25.80 | 16.80 |
1 | 100.30 | 31.20 | 20.30 | 41.30 | 33.70 | 19.10 |
Oil & Gas Industry |
![]() |
---|---|
Process Industry | |
Power Industry | |
Refinery & Petrochemical Industry | |
Chemical Industry |
We are the leading Manufacturer / Exporter / Supplier of All kind of Tube Fittings like Ferrule, Coupling Cap, Tube Cap, Tube Plug, Reducer etc in India and Overseas.